Dabar yra 22 Kov 2026, 13:11

Visos datos yra Array Europe/Vilnius




Naujos temos kūrimas Atsakyti į temą  [8289 pranešimai(ų) ]  Eiti įAnkstesnis1ELLIPSIS360361362363364ELLIPSIS553Kitas
Autorius Žinutė
 Pranešimo tema: Re: Apie viską
StandartinėParašytas:06 Gru 2009, 13:56 
Atsijungęs
Kandidatas i klubo narius
Vartotojo avataras

Užsiregistravo:02 Kov 2009, 14:02
Pranešimai:114
Skype:dziunioras
Miestas:Kaunas
taip.būtent nereaguoja y rankenėlės pakėlima ar is vidinės pusės mėginimą jas atidaryti.išvis mėginant atidaryti is vidaus užrakina keleivio pusės dureles

_________________
94m 1,6 DOCH kilniai žalias - velniškai geras (Noble-green) ;)


Į viršų
 Pranešimo tema: Re: Apie viską
StandartinėParašytas:06 Gru 2009, 13:57 
Atsijungęs
Klubo draugas
Vartotojo avataras

Užsiregistravo:15 Bir 2007, 14:48
Pranešimai:1469
Skype:gintariz
Miestas:Vilnius
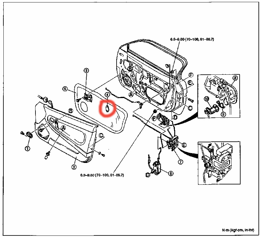
Kaip suprantu centrinis neatrakina dureliu , pas mane buvo taip . Paziurek i paveiksleli , ten pazymejau tvitinimus , jeigu dureles buvo ardytos ir buvo nuplesinetas tas celofanas , jis klijuojamas prie dureliu kazkokia smala , jeigu jis ispurvina-istepa nukrites ta smala (nezinau kaip pavadinti , tuos einancius nuo rankenos geleziukus) ir tuos tvirtinimus tada centrinis nebepajegia atrakinti dureliu , siaip WD-40 istirpdo ta smala ir viska graziai nuvalius turetu nebestrigti


Prikabinti failai:
durys.jpg
durys.jpg [35.96KiB |Peržiūrėta 722 kartus(ų) ]

_________________
PHEV
Į viršų
 Pranešimo tema: Re: Apie viską
StandartinėParašytas:06 Gru 2009, 14:00 
Atsijungęs
Kandidatas i klubo narius
Vartotojo avataras

Užsiregistravo:02 Kov 2009, 14:02
Pranešimai:114
Skype:dziunioras
Miestas:Kaunas
esmė tame kad tikrai girdisi kad jas atrakina :) bet siiap tai tavo ideja gal ir butu gera jeigu jos neatsirakintų pacios kita dieną...t.y. neveiktu zapadlo desnis ...

_________________
94m 1,6 DOCH kilniai žalias - velniškai geras (Noble-green) ;)


Į viršų
 Pranešimo tema: Re: Apie viską
StandartinėParašytas:06 Gru 2009, 14:04 
Atsijungęs
Klubo draugas
Vartotojo avataras

Užsiregistravo:15 Bir 2007, 14:48
Pranešimai:1469
Skype:gintariz
Miestas:Vilnius

_________________
PHEV


Į viršų
 Pranešimo tema: Re: Apie viską
StandartinėParašytas:06 Gru 2009, 14:07 
Atsijungęs
Kandidatas i klubo narius
Vartotojo avataras

Užsiregistravo:02 Kov 2009, 14:02
Pranešimai:114
Skype:dziunioras
Miestas:Kaunas
zinau - jau nuemes kokius 5 kartus :)

_________________
94m 1,6 DOCH kilniai žalias - velniškai geras (Noble-green) ;)


Į viršų
 Pranešimo tema: Re: Apie viską
StandartinėParašytas:06 Gru 2009, 15:22 
Atsijungęs
Kandidatas i klubo narius
Vartotojo avataras

Užsiregistravo:02 Kov 2009, 14:02
Pranešimai:114
Skype:dziunioras
Miestas:Kaunas
zapdlo desnis veikia - durys vel atsidare ...

_________________
94m 1,6 DOCH kilniai žalias - velniškai geras (Noble-green) ;)


Į viršų
 Pranešimo tema: Re: Apie viską
StandartinėParašytas:06 Gru 2009, 19:04 
Atsijungęs
Klubo draugas
Vartotojo avataras

Užsiregistravo:15 Bir 2007, 16:03
Pranešimai:591
Skype:makspb
Miestas:Vilnius
As cia nesenei ieskojau pakvetimu i GW (Google wave), tai va, jau ir pats galiu dalint juos :) jei kam reikia rasykit i PM


Į viršų
 Pranešimo tema: Re: Apie viską
StandartinėParašytas:06 Gru 2009, 19:11 
Atsijungęs
Klubo draugas
Vartotojo avataras

Užsiregistravo:15 Bir 2007, 14:48
Pranešimai:1469
Skype:gintariz
Miestas:Vilnius
che che , ne vienas is muus jau turi ir gali duoti , tiesiog nesiskelbia ...

_________________
PHEV


Į viršų
 Pranešimo tema: Re: Apie viską
StandartinėParašytas:06 Gru 2009, 19:15 
Atsijungęs
Klubo draugas
Vartotojo avataras

Užsiregistravo:15 Bir 2007, 16:03
Pranešimai:591
Skype:makspb
Miestas:Vilnius
tai as nieko ir nesakau kad turit skelbits :) Gal jum gaila duot del to ir nesiskelbiat :D man negaila tai ir pasiskelbiau :) ok, turit tai turit, kas neturi tegul raso i PM. Gero jum vakaro :occasion5:


Į viršų
 Pranešimo tema: Re: Apie viską
StandartinėParašytas:06 Gru 2009, 19:26 
Atsijungęs
Vartotojo avataras

Užsiregistravo:27 Geg 2008, 21:43
Pranešimai:1380
Miestas:Kaunas
Reklama forume? :D

_________________
Dabar seimomobilis :)
Audi tt, 99m. 132kw Parduota 2015m
Mx-3 1.8 DOHC 95m 84KW Parduota 2012m


Į viršų
 Pranešimo tema: Re: Apie viską
StandartinėParašytas:06 Gru 2009, 19:35 
Atsijungęs
Klubo draugas
Vartotojo avataras

Užsiregistravo:15 Bir 2007, 14:48
Pranešimai:1469
Skype:gintariz
Miestas:Vilnius
Darau bandymus , kolkas ant manes ergistruota ta reklama , bet veliau bus permesta i ant klubo , bent jau siek tiek papildomu pajamu gaus klubas .

Nenoriu klubu kolkas rizikuoti jeigu gauciau bana google uz ta reklama , jeigu bus kas nors ne pagal ju taisykles .

_________________
PHEV


Į viršų
 Pranešimo tema: Re: Apie viską
StandartinėParašytas:06 Gru 2009, 20:34 
Atsijungęs
Vartotojo avataras

Užsiregistravo:16 Bir 2007, 15:29
Pranešimai:1450
Skype:mariukaspl
mitscomputers
Miestas:Traki Vaki - New Jercy
O ka reikia daryti, kad daugiau pinigeliu gauti? :D

_________________
Black V6 POWER
'93 V6 1.8L DOHC -for Lithuania roads'
:sunny:Sunshine Mishkpobishki Eclipse GT
09 V6 3.8L 265HP 6speed manual
LIKE A DEVIL LIKE A HELL


Į viršų
 Pranešimo tema: Re: Apie viską
StandartinėParašytas:06 Gru 2009, 20:49 
Atsijungęs
Vartotojo avataras

Užsiregistravo:20 Sau 2009, 21:29
Pranešimai:457
Miestas:Kaunas
NUo kurios masinos tinka kelnes kad butu 4 2 1 ? mx'ui 1,6 dohc. ??

_________________
1995 MX-3 1.6 DOHC red



Į viršų
 Pranešimo tema: Re: Apie viską
StandartinėParašytas:06 Gru 2009, 20:52 
Atsijungęs
Vartotojo avataras

Užsiregistravo:08 Lie 2008, 20:11
Pranešimai:991


Į viršų
 Pranešimo tema: Re: Apie viską
StandartinėParašytas:06 Gru 2009, 20:55 
Atsijungęs
Klubo narys
Vartotojo avataras

Užsiregistravo:09 Geg 2009, 13:31
Pranešimai:1463
Skype:pinxo17
Tlf 8 678 468 11
Miestas:Klaipeda
kdl istyne skinus???? :shock: man sitas baltas visai nepatinka. man tas zalias lb cool buva. gal butu galima kad tas zalias dar butu???? :roll: :flower:

_________________
2,5 Kl-de


Į viršų
Rodyti paskutinius pranešimus: Rūšiuoti pagal 
Naujos temos kūrimas Atsakyti į temą  [8289 pranešimai(ų) ]  Eiti įAnkstesnis1ELLIPSIS360361362363364ELLIPSIS553Kitas

Visos datos yra Array Europe/Vilnius


Dabar prisijungę

Vartotojai naršantys šį forumą: 4 ir 0 svečių


Jūs negalite kurti naujų temų šiame forume
Jūs negalite atsakinėti į temas šiame forume
Jūs negalite redaguoti savo pranešimų šiame forume
Jūs negalite trinti savo pranešimų šiame forume
Jūs negalite prikabinti failų šiame forume

Ieškoti:
Pereiti į:  
cron
Veikia su phpBB® Forum Software © phpBB Limited
Vertė Vilius Šumskas © 2003, 2005, 2007